Contact 812-425-1336

  1. pin-int

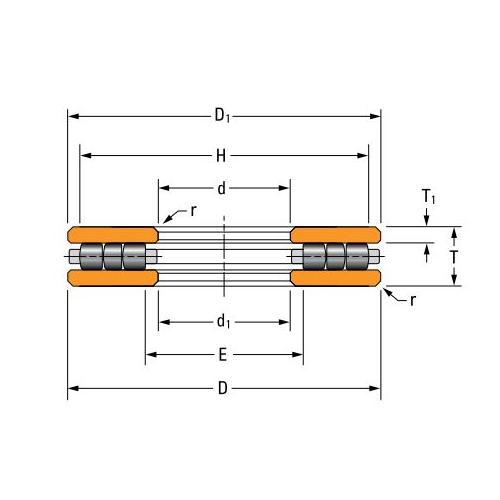
Timken® 100TP143 TIM100TP143

Timken® 100TP143 Type TP Thrust Cylindrical Roller Bearing, 10 in Dia Bore, 16 in Dia Outside, 1 Rows, 3 in W, 1700000 N Dynamic/2100000 N Static Load

  • Manufacturer: Timken
  • Brand Name: Timken®
  • Part Number: TIM100TP143
  • MPN: 100TP143
  • Min. Order Qty: 1
  • Qty. Interval: 1
  • Sign In for Pricing and Availability

Timken®, 100TP143, Thrust Cylindrical Roller Bearing, Type TP, 10 in Bore, 16 in OD, 1 Rows, 3 in Width, 1700000 N Dynamic/2100000 N Static Load, 1420 rpm Maximum

Bore Diameter      :      10 in
Load Capacity      :      1700000 N Dynamic/2100000 N Static
Maximum Speed      :      1420 rpm
Number of Rows      :      1
Outside Diameter      :      16 in
Type      :      Type TP
Width      :      3 in