1. pin-int

NTN UCS206-103LD1N NTNUCS206-103LD1N

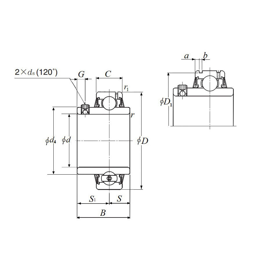
NTN UCS206-103LD1N Round Bore Light Duty Ball Insert Bearing, 30.163 mm Dia Bore, 62 mm OD, 38.1 mm W, 19500 N Load

  • Manufacturer: NTN
  • Brand Name: NTN
  • Part Number: NTNUCS206-103LD1N
  • MPN: UCS206-103LD1N
  • Min. Order Qty: 1
  • Qty. Interval: 1
  • loading
  • Sign In for Pricing and Availability

NTN Ball Insert Bearing, Round Bore Light Duty, Series: UCS2, 30.163 mm Bore, 62 mm OD, 38.1 mm Width, Double Seal Closure, 19500 N Load, Hardened Steel Bearing, Nitrile Rubber Seal, 4900 rpm Grease Maximum, -40 to 120 deg C

Bearing Material      :      Hardened Steel
Bore Diameter      :      30.163 mm
Closure Type      :      Double Seal
Load Capacity      :      19500 N
Maximum Speed      :      4900 rpm Grease
Outside Diameter      :      62 mm
Seal Material      :      Nitrile Rubber
Series      :      UCS2
Temperature Rating      :      -40 to 120 deg C
Type      :      Round Bore Light Duty
Width      :      38.1 mm
  • Contact seal
  • Relubricatable
  • Cylindrical OD snap ring groove
  • CN radial clearance
  • ISO class 0 precision rating
  • 19500 N dynamic/11300 N static
  • pdfCatalog https://externalassets.unilogcorp.com/ASSETS/DOCUMENTS/ITEMS/EN/NTN_3201_Catalog.pdf