1. pin-int

Heritage™ H1743Z3 ITW5029

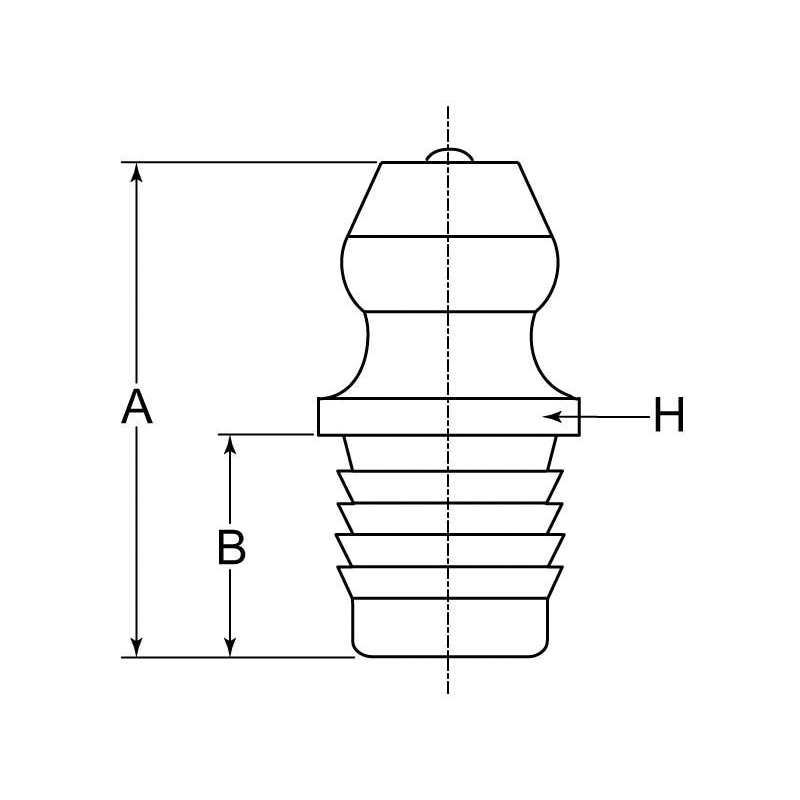
Heritage™ H1743Z3 Straight H1743Z3, 1/4 in Thread, 0.58 in OAL, Clear Trivalent Zinc Plated, Steel, 0.26 in L Shank

  • Manufacturer: G. L. Huyett
  • Brand Name: Heritage™
  • Part Number: ITW5029
  • MPN: H1743Z3
  • Min. Order Qty: 1
  • Qty. Interval: 1
  • loading
  • Sign In for Pricing and Availability

Longer shanks provide maximum grip and are ideal for use with thicker materials. The longer shank provides more shank engagement. Shorter shanks are available for thinner materials such as tubing.

Heritage™ Drive Type Fitting, Straight, 1/4 in Thread, 0.58 in Overall Length, 0.26 in Shank Length, Clear Trivalent Zinc Plated, Steel

California residents see Prop 65 WARNINGS

Finish      :      Clear Trivalent Zinc Plated
Material      :      Steel
Overall Length      :      0.58 in
Shank Length      :      0.26 in
Thread Size      :      1/4 in
Type      :      Straight
  • Long shank
  • pdfSpecification Sheet https://externalassets.unilogcorp.com/ASSETS/DOCUMENTS/ITEMS/EN/G_L_HUYETT_H1608Z3_Specification_Sheet.pdf