1. pin-int

FAG 7304-B-XL-2RS-TVP FAG7304BXL2RSTVP

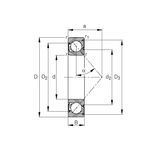
FAG 7304-B-XL-2RS-TVP 73..-B-2RS Angular Contact Ball Bearing, 20 mm Dia Bore, 52 mm OD, 1 Rows, 15 mm W, 40 deg, 20400 N Dynamic/11100 N Static/750 N Fatigue Load

  • Manufacturer: Schaeffler Group
  • Brand Name: FAG
  • Part Number: FAG7304BXL2RSTVP
  • Alt Part Number: 7304-B-2RS-TVP
  • MPN: 7304-B-XL-2RS-TVP
  • Min. Order Qty: 1
  • Qty. Interval: 1
  • loading
  • Sign In for Pricing and Availability

Single row angular contact ball bearings are self-retaining units with solid inner and outer rings and ball and cage assemblies with polyamide, sheet metal or brass cages. The raceways of the inner and outer rings are offset from each other along the bearing axis. The bearings are available in open and sealed designs. Their angular adjustment facility is very limited.

FAG Angular Contact Ball Bearing, Series: 73..-B-2RS, 20 mm Bore, 52 mm OD, 1 Rows, 15 mm Width, 40 deg Contact Angle, Double Seal Closure, 20400 N Dynamic/11100 N Static/750 N Fatigue Load, Polyamide Cage, 8600 rpm Maximum, 120 deg C

Bore Diameter      :      20 mm
Cage Material      :      Polyamide
Closure Type      :      Double Seal
Contact Angle      :      40 deg
Load Capacity      :      20400 N Dynamic/11100 N Static/750 N Fatigue
Maximum Speed      :      8600 rpm
Number of Rows      :      1
Outside Diameter      :      52 mm
Series      :      73..-B-2RS
Temperature Rating      :      120 deg C
Width      :      15 mm
  • Modified internal construction
  • Lip seals on both sides
  • Solid cage made from glass fiber reinforced polyamide
  • pdfSpecification Sheet https://externalassets.unilogcorp.com/ASSETS/DOCUMENTS/ITEMS/EN/FAG_7304_B_L_2RS_TVP_Specification_Sheet.pdf