1. pin-int

AMI Bearings KHF208 AMIKHF208

KHF208 is a rugged 4-bolt flange bearing unit with an eccentric collar lock for reliable shaft retention and easy field installation on a 40 mm shaft.

  • Manufacturer: AMI Bearings
  • Brand Name: AMI Bearings
  • Part Number: AMIKHF208
  • MPN: KHF208
  • Min. Order Qty: 1
  • Qty. Interval: 1
  • loading
  • Sign In for Pricing and Availability

The KHF208 4-bolt flange unit is built for dependable, low-fuss mounting on plates, frames, and equipment panels. Its eccentric collar locking design helps keep the insert secure on the shaft, making it a solid choice for conveyors, agricultural machinery, packaging equipment, and general power transmission where vibration and day-to-day abuse are part of the job.This unit supports a 40 mm bore and uses a 4-bolt flange footprint that makes layout and replacement straightforward. Use it when you want a tough, service-friendly mounted solution that installs quickly and stays put.

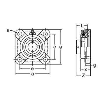
Bearing Material      :      AISI 52100 Steel
Bolt Center-to-Center Length      :      102 mm
Bore Diameter      :      40 mm
Locking Device      :      Eccentric Collar
Overall Depth      :      36 mm
Overall Height      :      53.7 mm
Overall Length/Diameter      :      130 mm
Series      :      KHF200
  • Type: 4-bolt flange mounted bearing unit with eccentric collar locking
  • Shaft bore (Bore Size): 40 mm
  • Bolt size: M16
  • Lubrication fitting tap: 1/4-28 UNF
  • Weight: 5.99 lb
  • Mounting hole center-to-center (square pattern): 130 mm
  • Overall flange width: 102 mm
  • Mounting hole diameter: 16 mm
  • Housing projection/depth: 36 mm
  • Overall unit height: 53.7 mm